繁体
网站首页
首页
新闻资讯
政务公开
办事服务
互动交流
专题专栏
当前位置:
首页
> 政务公开 > 新乡市国防动员办公室
>
政策
>
行政规范性文件
索
引
号:
/202508-00001
信息分类:
行政规范性文件
文
号:
新国动办〔2025〕19号
是否有效:
有效
发布机构:
新乡市国动办
成文日期:
2025-08-08 00:00
发布日期:
2025-08-14 09:55
废止日期:
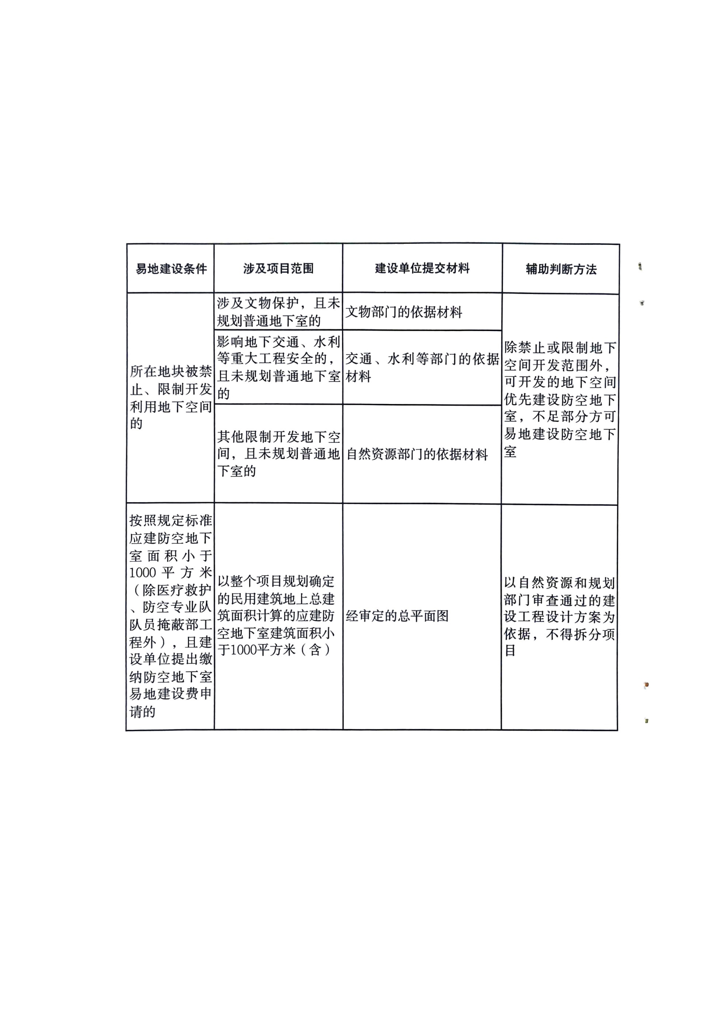
新乡市国防动员办公室人防工程易地建设审批管理实施细则
发布日期:2025-08-14 09:55
来源:新乡市国防动员办公室
阅读:
次
字号:
打印
分享
相关阅读:
《新乡市国防动员办公室人防工程易地建设审批管理实施细则》解读
扫一扫在手机打开当前页